Partenaire de vos créations ameublement et agencement
87.31 138.31 1

Kit SlideLine 56

HETTICH
Stock Sur commande (avec stock) Stock À épuisement du stock Stock En cours de réapprovisionnement Stock Sur commande Stock En stock
Sélectionnez vos critères :
Référence Garniture Dispo. Prix HT Prix TTC Prix UV Unité de Vente Qté
Ref. 0 045 234
Accessoires
Pour 2 vantaux
En stock
72,76 € 87,31 € 72,76 € HT
87,31 € TTC
kit
Ref. 0 045 235
Accessoires
Pour 3 vantaux
Sur commande
115,26 € 138,31 € 115,26 € HT
138,31 € TTC
kit
à partir de
72,76 € HT
87,31 € TTC (TVA 20.00%)

Ref : Renseignez vos critères

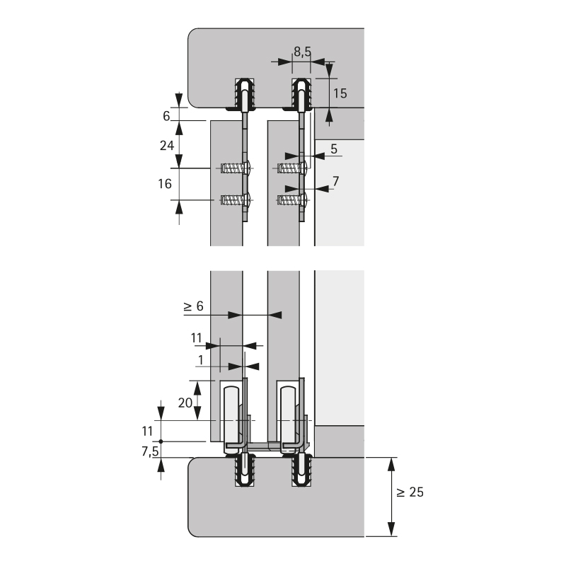
Kit complet SlideLine 56 pour 1 armoire avec 2 portes coulissantes sans rail.

Cette ferrure pour portes rentrantes coulissantes sur la partie inférieure offre une fonction fiable avec un montage simple. 

Les rails de coulissage en aluminium présentent le même profil pour les panneaux supérieurs et inférieurs. Le procédé d'anodisation crée une voie de coulissage lisse pour les grands galets en plastique. 

Les galets de coulissage sont montés sur roulements à billes. Le grand diamètre des galets assure un fonctionnement doux et silencieux. Pour monter les galets, il est nécessaire de réaliser des perçages ouverts d'un diamètre de 40 mm dans les portes. 

Les pieces de coulissage sont fixées avec des vis. Les pièces de guidage ont des trous oblongs et sont d'abord montées sans être serrées. Les pièces de guidage pourront ainsi etre glissées vers le haut dans le rail à la mise en place de la porte à l'aide des trous oblongs. Resserrer ensuite les vis. 

Des butées, des entretoises (à monter au centre de la porte coulissante) et des dispositifs d'arrêt centraux viennent compléter la ferrure de porte coulissante. 

Pour vantail bois épaisseur 16 à 19 mm.

La garniture complète pour deux vantaux se compose de :

  • 4 galets de roulement bas
  • 4 guides hauts
  • 2 butées d'arrêt
  • 2 butées de porte
  • 1 arrêt centre
Application :

Ferrure pour porte de meuble coulissante par le bas.

Ces ferrures trouveront leur place sur des portes de moyenne et petite taille équipants des meubles de bureaux et du meublant de l'habitat.

Des amortisseurs (en options) renforceront le confort de fonctionnement des vantaux.

Caractéristiques :
Charge maxi par vantail40 kg