Partenaire de vos créations ameublement et agencement
43.64 60.1 1

Coulisse bois Quadro V6 Push to Open

HETTICH

  • Amortisseur : Sans
  • Charge : 30 kg
  • Décor : Zingué
  • Fixation : Clipsable
  • Matériau : Acier
  • Montage : Sous tiroir
  • Pour panneau d'épaisseur : 16 mm
  • Push : Oui
  • Sens : Droit + Gauche
  • Sortie : Totale
  • Type : Invisible

› Voir la description complète
À partir de
36,37 € HT
43,64 € TTC (TVA 20.00%)
Voir les références
Stock Sur commande (avec stock) Stock À épuisement du stock Stock En cours de réapprovisionnement Stock Sur commande Stock En stock
Sélectionnez vos critères :
Référence LongueurProfondeur intérieur de caisson mini Dispo. Prix HT Prix TTC Prix UV Unité de Vente Qté
Ref. 9 135 984
250 mm
263 mm
En stock
36,37 € 43,64 € 36,37 € HT
43,64 € TTC
kit
Ref. 9 135 985
300 mm
313 mm
En stock
37,43 € 44,92 € 37,43 € HT
44,92 € TTC
kit
Ref. 9 135 995
550 mm
563 mm
En stock
50,08 € 60,10 € 50,08 € HT
60,10 € TTC
kit
à partir de
36,37 € HT
43,64 € TTC (TVA 20.00%)

Ref : Renseignez vos critères

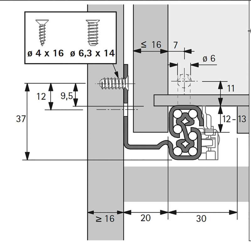
Montage par clipsage et réglage en hauteur sans outil
Mécanisme d'ouverture intégré Push to open pour ouverture de tiroir sans poignée ni bouton, par une simple pression sur la façade.
En option :

  • synchronisation / multi-synchronisation.
  • Clips ou clips d’enfichage pour tablettes ou fond affleurant.
  • Dispositif de bloquage pour tablettes

Convient aux tiroirs avec une épaisseur du côté de tiroir jusqu'à 16 mm
Concept de plate-forme : dimensions identiques du corps de meuble, du tiroir et de la façade pour les coulisses à sortie totale ou partielle Quadro avec montage par engagement
Capacité de charge selon EN 15338, niveau 3

Remarques :
En cas d’utilisation de clips d’enfichage pour tablettes, la longueur de la tablette diminue de 12 mm (NL - 12 mm)

Application :

Convient à une utilisation dans des pièces humides.

Infos montage :

Se fixe à 37mm du bord de caisson dans la même position de perçage que les autres coulisses.

Caractéristiques :
AmortisseurSans
Charge30 kg
DécorZingué
FixationClipsable
MatériauAcier
MontageSous tiroir
Pour panneau d'épaisseur16 mm
PushOui
SensDroit + Gauche
SortieTotale
TypeInvisible