Partenaire de vos créations ameublement et agencement
78.64 78.64 1

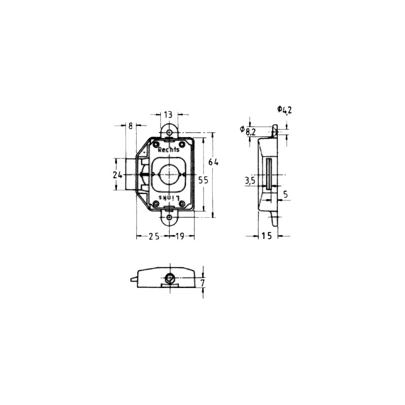
Boîtier de serrure espagnolette zamac

JUNIE

  • Décor : Nickelé

› Voir la description complète
65,53 € HT
78,64 € TTC (TVA 20.00%)
Quantité
Ajouter à mon panier
Ajouter à mon devis
65,53 € HT
78,64 € TTC (TVA 20.00%)
Quantité
Ajouter à mon panier
Ajouter à mon devis
Stock Sur commande (avec stock) Stock À épuisement du stock Stock En cours de réapprovisionnement Stock Sur commande Stock En stock
Référence Dispo. Prix HT Prix TTC Prix UV Unité de Vente Qté
Ref. 179 75810 02543
En stock
65,53 € 78,64 € 65,53 € HT
78,64 € TTC
l'unité
Ref. 179 75810 02543

En stock
65,53 € HT l'unité

Boîtier de serrure espagnolette, sens réversible, axe à 25.

Serrure prévue pour tringle acier nickelé Ø6.
Montage bouton ou cylindre.

Livré avec accessoires.

Sans tringle.

Application :

Cette serrure peut recevoir le cylindre ci-dessous avant la pose de la serrure.

Elle peut également recevoir les boutons zamack page 16.15 en y joignant l'adaptateur à fouillot.

Caractéristiques :
DécorNickelé